Die gute alte Fernsprechtechnik: Telefone
Die Grundelemente aller Fernsprechapparate sind das Mikrofon (auch Sprechkapsel) und der Fernhörer (auch Hörkapsel). Als Mikrofon hat sich weltweit das Kohlemikrofon durchgesetzt. Es ist billig, einfach und liefert eine ausreichende sprachmodulierte Spannung im Frequenzbereich 0,3 bis 3,4 kHz. Zusammen mit dem Fernhörer ist es heute im Handapparat untergebracht.
Mit zwei Handapparaten und einer Batterie, mit ca. 4,5 V, ist die einfachste Fernsprechverbindung hergestellt. Beide Fernhörer werden dabei ständig vom Gleichstrom durchflossen. Bei falscher Polung führt das zur Schwächung des Dauermagneten.
B = Batterie F = Fernhörer M = Mikrofon

Kurz darauf kam es mit der Wählscheibe auch zu konstruktiven Änderungen an den Fernsprechapparaten. Für die automatische Vermittlung ist ein Nummernschalter notwendig, der mittels Wählscheibe (auch unter Fingerlochscheibe bekannt) betätigt wird.
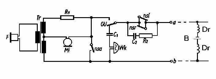
Die Drosseln bei der Zentralbatterie sollen einen Kurzschluss im Sprechwechselstromkreis vermeiden. Der Kondensator beim Wechselstromwecker verhindert einen Kurzschluss im Gleichstromkreis. Der Widerstand stellt mit dem Kondensator die Funkenlöschschaltung für den nsi-Kontakt dar. Die Betriebsspannung ist in manuellen Vermittlungen 24 V, in automatischen auch 48 V (DDR 60 V)
Tr = Übertrager nsi, nsr, nsa = Kontakte des Nummernschalters
Beim Ablauf des Nummernschalters bei der Ziffer 0 erzeugt der nsi-Kontakt zwölf Impulse, von denen zwei durch den nsr-Kontakt kurzgeschlossen werden. Diese Zeit wird für eine saubere Trennung von zwei aufeinanderfolgende Ziffern genutzt. Der nsa-Kontakt schließt in dieser Zeit das Mikrofon kurz, um saubere Impulse zu erhalten. Der Ablauf erfolgt mit einer Geschwindigkeit von 10 Impulsen/Sekunde und wird durch einen Fliehkraftregler konstant gehalten (offen: 62 ms, geschlossen: 38 ms; im Mittel 1,6:1).

Eine Zwischenstellung nehmen die ZB-Apparate ein. Die Ortsbatterie und der Kurbelinduktor entfallen. Eine Wählscheibe ist nicht vorhanden.
Der Teilnehmer nimmt den Handapparat ab. Der Stromkreis, gespeist vom Amt, wird für den Teilnehmer geschlossen. Der Gesprächswunsch wird dem „Fräulein vom Amt“ gemeldet. Es erfolgt die Abfrage und anschliessend die Gesprächsvermittlung von Hand.
Um den Dauermagneten zu schützen, wird der Fernhörer über die Sekundärwicklung eines Übertragers angeschlossen. Das Mikrofon an der Primärwicklung erhält nun eine eigene Batterie. Als Schalter wird der Hakenumschalter bei Wandgeräten oder der Gabelumschalter bei Tischgeräten genutzt. Da jede Sprechstelle eine eigene örtliche Batterie nutzt, heißt es auch Ortsbatterie-System, kurz OB-System.
Um im OB-System sich gegenseitig rufen zu können, wird die Fernsprechstelle zusätzlich mit einem Kurbelinduktor und einem Wechselstromwecker ausgestattet. Der Kurbelinduktor erzeugt eine Rufwechselspannung von 30 bis 40 V bei drei bis vier Umdrehungen/Sekunde. Der Wechselstromwecker ist ein Kipprelais mit permanenter Vormagnetisierung und zwei entgegengesetzt gewickelte Spulen. Er ist für die Ruffrequenz von 25 bis 50 Hz ausgelegt.
Die OB-Fernsprechapparate standen am Anfang der Fernsprechtechnik.
GU = Gabelumschalter W = Wecker KI = Kurbelinduktor K = Kontakt des KI