Telefonapparat TA - 57 M, TA - 57 U
Hersteller:
Baujahr/Nummer:
Quellen:
Weitere Angaben:
Der Unterschied zwischen beiden Geräten ist bei abgenommenen Handapparat sichtbar. Die M-Ausführung ist ohne und die U-Ausführung mit Tastschalter U.
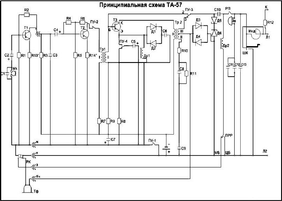
Stromversorgung: 10 V (GB-10-U-1,3 oder 6 x A-316); maximaler Strom: 8 mA, Ruf: 15 bis 50 Hz, U = ~ 80 V, Masse: 2,8 kg; Abmessung L/B/H: 222/165/80 mm, Reichweite: Feldkabel bis 45 km, Freileitung (3 mm) bis 250 km
OB- und ZB-Betrieb; Fernbedienung für Funkgerät; auch mit Sprechgarnitur TA -56.
Der Tastschalter U dient zur Umschaltung des Mikrofonverstärkers zum Empfangsverstärker. Damit wird die Reichweite der Hörbarkeit um 30 bis 35 % erhöht. Zum Sprechen ist die Taste unbedingt loszulassen.






TA - 57 M
TA - 57 U
TA - 56