Amtsanschließer AS 60
Hersteller:
Baujahr/Nummer:
Quellen:
VEB Fernmeldewerk Nordhausen
1964 / 153
ohne
Weitere Angaben:
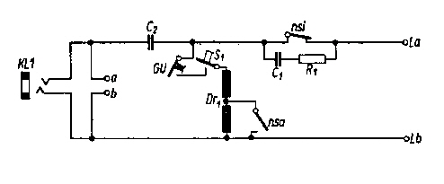
Masse: 0,8 kg, Abmessung H/B/T: 106/132/129 mm, Schleifwiderstand bei geschlossenem Schalter: 300 Ohm +- 10%, Spannungsfestigkeit zwischen La und Lb: 500 V, Ein = roter Punkt sichtbar
Wählaufsatz für den FF 63, 63 M, 63 S, und OB 62/10. Er ist so auf den Deckel zu stellen, dass die zwei Metallpilze beim Nachhintenschieben in die Aussparungen der Grundplatte des AS 60 einrasten. Die Verbindung des FF mit dem AS 60 ist über die im FF befindliche Stöpselschnur herzustellen. Die Amtsleitung ist direkt an den Klemmen des AS 60 anzulegen. Danach ist der Handapparat auf die Wippe zu legen.

